我的搜藏夹    更多其它电阻产品
TO-220功率电阻,TO-247功率电阻专题

TO-220 Power Resistor TO-247 Power Resistor

 
VIKING(光颉)华北地区总代理-服务热线:010-82967213  QQ:543866743
100W功率电阻
   
      TO-220/TO-247功率电阻的特点:


TO-220/TO-247功率电阻的参数范围:
● 封装:TO-220封装 TO-247封装
● 电阻精度范围:±0.5% ~ ±10%
● 温度系数范围 ±50~300PPM/℃
● 电阻功率范围:20W~100W
● 电阻值范围:0.05Ω~10KΩ

 

   TO-220/TO-247功率电阻其中有:20W电阻,30W电阻,35W电阻,50W电阻,100W电阻,有两种封装:TO-220封装,TO-247封装。功率电阻提供了节省空间的电源设计有高精密性,小尺寸,大功率,稳定性好,寄生电感小,低温系数,无感/低感,保持优异的热传导和热耗散,同时能够解决直插电阻小阻值中精度与温度系数无法提高的难题,与水泥电阻,铝壳电阻相比体积小,使得安装更容易,保护性高,高绝缘度,低感量等。


 
      功率电阻型号编码方式:  

TR
20
J
B
D
1001
系 列
名 称
功率
20: 20W
30: 30W
35: 35W
50: 35W
100: 100W

 电阻误差
D: ±0.5%
F: ±1%
J: ±5%
J: ±10%
包装方式
B: 散装
温度系数
(PPM/℃)
D: ±50
E: ±100
F: ±200
G: ±300
 : 未指定

阻值表示
0100: 10Ω
1000: 100Ω
1001: 1KΩ
R050: 0.05Ω
R100: 0.1Ω
 
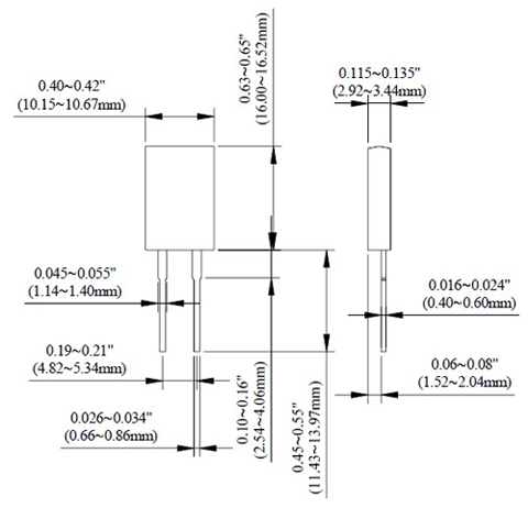
      TO-220封装/20W电阻  
        20W电阻尺寸结构图         20W电阻详细尺寸结构图
氧化铝基片 电阻层
引脚 外封装

        20W电阻选型参考表 工作电压:350V max 过载电压:1800VAC

系列代码 电精精度 温度系数
(PPM/℃)
±0.5% ±1% ±5% ±10%
TR20 - - 0.05Ω~1Ω 未指定
- >1Ω~3Ω ±300
- >3Ω~10Ω ±100
±200
>10Ω~10KΩ ±50
±100
±200

 
      TO-220封装/30W电阻  
        30W电阻尺寸结构图         30W电阻详细尺寸结构图
氧化铝基片 电阻层
引脚 外封装
   

        30W电阻选型参考表 工作电压:420V max 过载电压:1800VAC

系列代码 电精精度 温度系数
(PPM/℃)
±0.5% ±1% ±5% ±10%
TR30 - - 0.05Ω~1Ω 未指定
- >1Ω~3Ω ±300
- >3Ω~10Ω ±100
±200
>10Ω~10KΩ ±50
±100
±200
 
      TO-220封装/35W电阻  
        35W电阻尺寸结构图         35W电阻详细尺寸结构图

散热连接板

氧化铝基片
电阻层 引脚
外封装  
   

        35W电阻选型参考表 工作电压:350V max 过载电压:1800VAC

系列代码 电精精度 温度系数
(PPM/℃)
±0.5% ±1% ±5% ±10%
TR35 - - 0.05Ω~1Ω 未指定
- >1Ω~3Ω ±300
- >3Ω~10Ω ±100
±200
>10Ω~10KΩ ±50
±100
±200
 
      TO-220封装/50W电阻  
        50W电阻普通型尺寸结构图         50W电阻普通型详细尺寸结构图
氧化铝基片 电阻层
引脚 外封装
   

        50W电阻普通型选型参考表 工作电压:350V max 过载电压:1800VAC

系列代码 电精精度 温度系数
(PPM/℃)
±0.5% ±1% ±5% ±10%
TR50 - - 0.1Ω~1Ω 未指定
- >1Ω~3Ω ±300
- >3Ω~10Ω ±100
±200
>10Ω~10KΩ ±50
±100
±200
 
        50W电阻高标型尺寸结构图         50W电阻高标型详细尺寸结构图
氧化铝基片 电阻层
引脚 外封装
   

        50W电阻高标型选型参考表 工作电压:420V max 过载电压:1800VAC

系列代码 电精精度 温度系数
(PPM/℃)
±0.5% ±1% ±5% ±10%
TR50-H - - 0.1Ω~1Ω 未指定
- >1Ω~3Ω ±300
- >3Ω~10Ω ±100
±200
>10Ω~10KΩ ±50
±100
±200
 
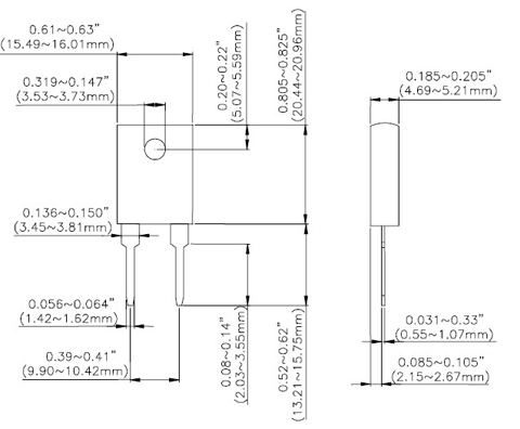
      TO-247封装/100W电阻  
        100W电阻尺寸结构图         100W电阻详细尺寸结构图
氧化铝基片 电阻层
引脚 外封装
   

        100W电阻选型参考表 工作电压:700V max 过载电压:1800VAC

系列代码 电精精度 温度系数
(PPM/℃)
±1% ±5% ±10%
TR100 - 0.05Ω~1Ω 未指定
>1Ω~3Ω ±300
>3Ω~10Ω ±100
±200
>10Ω~10KΩ ±50
±100
±200
      功率电阻型号列表:  

序号 产品类型 柱状电阻型号 柱状电阻阻值 电阻尺寸 电阻精度 温度系数 电阻功率 工作电压 过载电压 规格书 SPEC  
1 CSR晶圆电阻 CSR0204BTNV5600 560Ω 0204 ±0.1% ±15 ppm/℃ 1/4W 200V 400V 询价
2 CSR晶圆电阻 CSR0204BTNV1180 118Ω 0204 ±0.1% ±15 ppm/℃ 1/4W 200V 400V 询价
3 CSR晶圆电阻 CSR0204BTBV1240 124Ω 0204 ±0.1% ±10 ppm/℃ 1/4W 200V 400V 询价
4 CSR晶圆电阻 CSR0204BTBV1270 127Ω 0204 ±0.1% ±10 ppm/℃ 1/4W 200V 400V 询价
5 CSR晶圆电阻 CSR0204BTNV5780 578Ω 0204 ±0.1% ±15 ppm/℃ 1/4W 200V 400V 询价
6 CSR晶圆电阻 CSR0204BTBV1400 140Ω 0204 ±0.1% ±10 ppm/℃ 1/4W 200V 400V 询价
7 CSR晶圆电阻 CSR0204BTBV1470 147Ω 0204 ±0.1% ±10 ppm/℃ 1/4W 200V 400V 询价
8 CSR晶圆电阻 CSR0204BTNV5490 549Ω 0204 ±0.1% ±15 ppm/℃ 1/4W 200V 400V 询价
9 CSR晶圆电阻 CSR0204BTNV8200 820Ω 0204 ±0.1% ±15 ppm/℃ 1/4W 200V 400V 询价
10 CSR晶圆电阻 CSR0204BTNV1270 127Ω 0204 ±0.1% ±15 ppm/℃ 1/4W 200V 400V 询价

首页 上页 下页 尾页 页次:第 4 页    共 2890 页 共有 28897 种物料 转到第

 
 
 
 
 

 

友情链接:       晶圆电阻  精密电阻  TO-220封装电阻  毫欧合金电阻  高频电感  射频电感  毫欧电阻   国巨贴片电阻  精密电阻  色环电阻  三星电容  三洋固态铝电解  一体成型电感  VIKING精密电阻
热线电话: 010-82967213 传真:010-82967969-606 QQ:543866743 Emal:xhd@vk-dz.com
COPYRIGHT@2003-2012 tr.vk-dz.com 京ICP备11040779号-5